环境可靠性实验室
正确操作 细致观察
首页
试验设备
实验服务
定制检测
含能检测
通用检测
行业应用
国防军工行业
轨道交通行业
汽车零部件行业
电工电子行业
家用电器行业
关于我们
公司简介
企业文化
公司环境
新闻中心
联系合作
0512-66362868
首页
›
试验设备
›
实验服务
›
定制检测
含能检测
通用检测
行业应用
›
国防军工行业
轨道交通行业
汽车零部件行业
电工电子行业
家用电器行业
关于我们
›
新闻中心
›
联系合作
›
服务热线
QQ咨询
试验设备
星博瑞拥有精良的试验检测设备
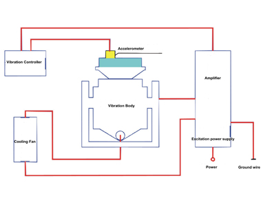
振动台系统控制示意图
Pre
1
2
3
Nex
尾页
网站首页
一键拨号
在线咨询